イノベーションが開発を推進し、テクノロジーが未来を築きます

何を検索していますか?

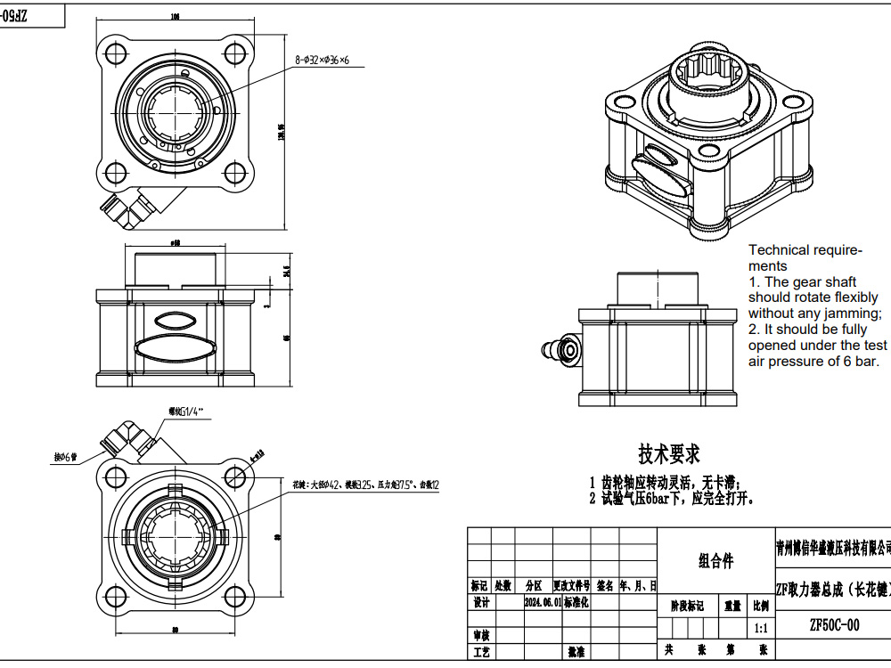
ZF50C 479.7 Nm 1:1 パワーテイクオフ

ベンダー:BXHS

製品タイプ:パワーテイクオフ

製品シリーズ:ZF50シリーズ パワーテイクオフ

製品サイズ:130.95*80*89.5

正味重量:4.00 kg

在庫状況: 在庫あり

35 この製品を探している人もいます

ZF50C 479.7 Nm 1:1 パワーテイクオフ

ZF50C 479.7 Nm 1:1 パワーテイクオフ

ZF50C 479.7 Nm 1:1 パワーテイクオフ drawing image

ZF50Cパワーテイクオフは、世界中の要求の厳しい産業およびモバイルアプリケーション向けに設計された、堅牢な空圧制御PTOユニットです。標準マウントと圧力潤滑を備え、479.7 Nmの強力な出力トルクを発揮し、建設、農業、マテリアルハンドリング、その他の産業分野における幅広い重機に信頼性の高い補助動力を供給します。

ZF50シリーズ パワーテイクオフ Parameters
制御空気圧 6 bar
取付方式 4ボルト
出力方向 エンジン操舵方向と逆
操作形式 空圧(単動シリンダー)スプリングリセット
速度比 1:1
定格出力トルク 479.7 Nm
潤滑オプション 圧力潤滑
取り付けオプション 標準取り付け

世界をリードするメーカーとして、弊社はZF50Cパワーテイクオフを誇りを持ってご紹介します。これは、多様な産業およびモバイルアプリケーション全体で信頼性と効率性を追求して設計された高性能ソリューションです。弊社は包括的な製造、OEM、ODM、カスタム、卸売サービスを提供しており、世界中の代理店、卸売業者、業者、商社を積極的に募集しています。



**製品の特長と利点:**

* **高定格出力トルク:** 堅牢な479.7 NmのZF50Cは、ヘビーデューティアプリケーションの厳しい動力要件に対応するように設計されており、最適なパフォーマンスを保証します。

* **空圧制御(スプリングリセット付き単動シリンダー):** 正確で信頼性の高い係合/非係合を提供します。スプリングリセット機構付き単動シリンダーは、シンプルで効果的かつ安全な操作を実現します。6 barの制御空気圧で効率的に動作します。

* **圧力潤滑オプション:** この重要な機能は、内部コンポーネントへの継続的かつ効果的な潤滑を保証し、特に連続的で重い負荷条件下でのPTOユニットの耐用年数を大幅に延長します。

* **標準マウントオプション:** 幅広いエンジンやトランスミッションとの容易な統合を促進し、設置時間とコストを削減します。

* **1:1速比:** 減速または増速なしで、エンジンから補助機器への直接的かつ効率的な動力伝達を実現します。

* **エンジンと逆方向の出力ステアリング:** 特定のシステム互換性に合わせて設計されており、駆動部品の正しい回転方向を保証します。

* **耐久性のある構造:** 過酷な動作環境に耐え、長期的な信頼性を提供する高品質の素材で構築されています。



**アプリケーションシナリオ:**

当社のZF50Cパワーテイクオフは、補助油圧動力または機械駆動を必要とする多数の産業および車両タイプにとって不可欠なコンポーネントです。

* **建設および土木機械:** オールテレーンクレーン、ホイールローダー、バックホーローダー、ダンプカー、モーターグレーダー、コンクリートポンプ車などの油圧ポンプへの動力供給に最適です。

* **マテリアルハンドリング:** 様々なアタッチメントや機能のために、テレハンドラーやフォークリフトに補助動力を供給するために不可欠です。

* **農業:** トラクターおよびフロントエンドローダー、ハーベスター、ベーラー、スプレーヤーにおいて、作業機や油圧システムを駆動するために重要です。

* **産業車両:** ウィンチ、コンプレッサー、廃棄物圧縮機、その他の補助機器に信頼性の高い動力を必要とする様々な特殊車両に適しています。ZF50Cは、これらの機械が最大の効率で、最小限のダウンタイムで動作することを保証します。

ZF50C 479.7 Nm 1:1 パワーテイクオフ

ZF50C 479.7 Nm 1:1 パワーテイクオフ

ZF50C 479.7 Nm 1:1 パワーテイクオフ

ZF50C 479.7 Nm 1:1 パワーテイクオフ