イノベーションが開発を推進し、テクノロジーが未来を築きます

何を検索していますか?

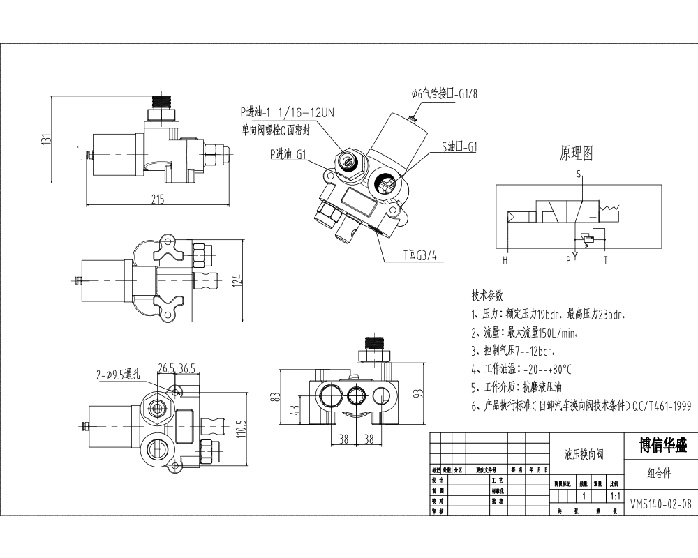
VMS140 空圧 1スプール モノブロック方向制御弁

定格流量:毎分150リットル (39.6 US gpm)

最大圧力:230 bar (3300 psi)

ベンダー:BXHS

製品タイプ:モノブロック方向制御弁

製品シリーズ:VMSシリーズ モノブロック方向制御弁

製品サイズ:21.5*12.4*13.1

在庫状況: 在庫あり

  • 1スプール
  • 手動
83 この製品を探している人もいます

VMS140 空圧 1スプール モノブロック方向制御弁

VMS140 空圧 1スプール モノブロック方向制御弁

VMS140 空圧 1スプール モノブロック方向制御弁 drawing image

VMS140空気圧式1スプールモノブロック方向制御弁は、グローバルな用途向けに設計された堅牢でコンパクトな油圧制御ソリューションです。精密な空気圧制御を特長とするこのモノブロック弁は、定格流量150 L/min、最大圧力230 barに耐えることができ、単一機能制御を必要とする幅広い移動式および産業用油圧システムに最適です。

VMSシリーズ モノブロック方向制御弁 Parameters
スプール 1スプール
制御方法 手動
ポートサイズ G1
セクション 1セクション
周囲温度範囲 -20°C 至 +80°C (-4°F 至 +176°F)
作動粘度範囲 15 - 75 mm²/s (15 cSt to 75 cSt)
吐出口 G3/4
最大圧力 230 bar (3300 psi)
定格流量 毎分150リットル (39.6 US gpm)
構造タイプ モノブロック弁
吸入口 SAE 12

VMS140モノブロック方向制御弁は、要求の厳しい油圧用途における信頼性と性能で際立っています。そのモノブロック構造は、コンパクトな設置面積、潜在的な漏れ箇所の削減、設置の簡素化を保証し、油圧システム全体の効率と耐久性に貢献します。



**主な機能と利点:**

* **空気圧制御:** 精密で応答性の高いリモート操作を提供し、さまざまな機械でのオペレーターの快適性と安全性を向上させます。

* **堅牢なモノブロック設計:** 構造的完全性とコンパクトなフォームファクタを提供し、スペースが限られた設置に理想的で、接続点を最小限に抑えます。

* **高性能:** 定格流量150 L/min (39.6 US gpm)、最大圧力230 bar (3300 psi)に対応可能で、重作業に適しています。

* **シングルスプール構成:** 持ち上げ、傾け、延長などの特定の油圧機能の制御を簡素化し、簡単な操作を提供します。

* **広い動作範囲:** -20°C〜+80°C (-4°F〜+176°F)の周囲温度範囲と、15〜75 cStの動作粘度範囲で信頼性高く機能し、多様な環境および流体条件で一貫した性能を保証します。

* **標準ポート:** SAE 12入口ポート、G3/4出口ポート、およびG1一般ポートサイズを装備しており、既存の油圧回路との容易な統合を促進します。



**アプリケーションシナリオ:**

この多用途弁は、幅広い移動式および産業機械向けに設計されています。油圧アクチュエータの堅牢で精密な制御を必要とするシステムに最適です。典型的なアプリケーションには以下が含まれます。

* **マテリアルハンドリング機器:** フォークリフト、テレハンドラー、スタッカーで使用され、持ち上げ、傾け、または補助機能を制御します。

* **建設・土木機械:** ミニショベル、スキッドステアローダー、小型ホイールローダー、バックホーローダーに理想的で、アタッチメントの動きや補助油圧ラインを管理します。

* **農業機械:** トラクター、フロントエンドローダー、ハーベスターに適しており、さまざまなアタッチメントや機能に油圧動力と制御を提供します。

* **産業車両:** 単一の動作に対する信頼性の高いコンパクトな油圧方向制御を必要とする、さまざまなカスタムおよび特殊産業車両に適用可能です。



主要メーカーとして、当社は高品質の油圧ソリューションの提供に努めています。製造、OEM/プライベートラベル生産、および特定の顧客ニーズを満たすカスタムソリューションを含む柔軟なサービスを提供しています。当社は、VMS140弁のような当社の先進的な油圧製品の範囲を拡大するために、世界中の代理店、卸売業者、業者との提携を積極的に求めています。

VMS140 空圧 1スプール モノブロック方向制御弁

VMS140 空圧 1スプール モノブロック方向制御弁

VMS140 空圧 1スプール モノブロック方向制御弁

VMS140 空圧 1スプール モノブロック方向制御弁