迅速な配送
30日間エクスプレス配送



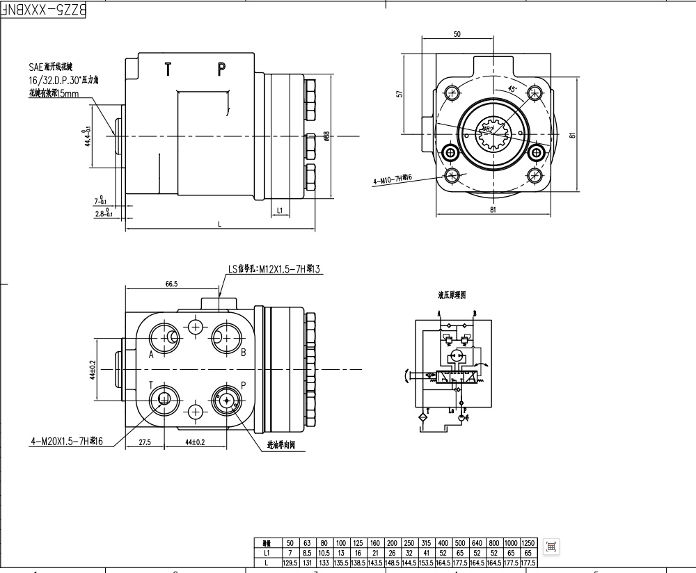
TLF-E1000は、1000 ml/rの排気量を持つ堅牢で高性能な油圧ステアリングユニットであり、様々なマテリアルハンドリング、建設、産業車両での使用を想定して設計されています。最大入力圧力16 MPa、定格流量75 L/minを特長とし、最適な統合と性能のためにカスタマイズ可能なバルブブロックを提供します。耐久性のある鋳鉄製で、このユニットは要求の厳しい用途に最適です。
| TLFシリーズ ステアリングユニット Parameters | |
|---|---|
| 変位 | 800 ml/r, 1000 ml/r, 640 ml/r |
| バルブブロック | カスタマイズ可能 |
| 材質 | 鋳鉄 |
| 定格流量 | 48 L/min, 60 L/min, 75 L/min |
| 最大連続背圧 | 1.6 Mpa |
| 最大入力圧力 | 16 Mpa |
TLF-E1000ステアリングユニットは、幅広い用途で信頼性の高い正確なステアリング制御のために設計された、頑丈な油圧コンポーネントです。その1000 ml/rの排気量と75 L/minの定格流量は、かなりの負荷がかかる状況でも効率的な操作に十分なパワーを提供します。ユニットの最大入力圧力16 MPaは、要求の厳しい運転条件にも対応できることを保証します。堅牢な鋳鉄製で、TLF-E1000は優れた耐久性と長寿命を提供します。
**主な機能と利点:**
* **高性能:** 効率的なステアリングのための1000 ml/rの排気量と75 L/minの定格流量。
* **高圧対応:** 要求の厳しい用途に対応する16 MPaの最大入力圧力。
* **耐久性のある構造:** 耐久性と長寿命を高める鋳鉄製。
* **カスタマイズ可能なバルブブロック:** さまざまな用途での柔軟な統合と最適な性能を可能にします。
* **多用途:** フォークリフト、テレハンドラー、スキッドステアローダー、小型ホイールローダー、ホイールローダー、フロントエンドローダー付きトラクター、バックホーローダー、その他の産業車両に適しています。
* **グローバル展開:** 当社は製造、OEM、ODM、プライベートラベリング、カスタマイズ、および卸売サービスを提供しており、世界中の販売代理店、卸売業者、代理店、および取引パートナーを募集しています。
**アプリケーションシナリオ:**
TLF-E1000ステアリングユニットは、以下を含む多様な産業および機器タイプに理想的な用途を見出します。
* **マテリアルハンドリング:** フォークリフト、テレハンドラー、およびその他のマテリアルハンドリング機器は、倉庫、港湾、建設現場での効率的な作業のために、応答性の高い強力なステアリングを必要とします。
* **建設および土木:** スキッドステアローダー、小型ホイールローダー、およびホイールローダーは、困難な環境での正確な操縦のためにTLF-E1000に依存しています。
* **産業車両:** このユニットは、要求の厳しい条件で動作する様々な産業機械で信頼性の高いステアリング性能を提供します。
* **農業:** トラクターやフロントエンドローダーは、TLF-E1000によって提供される堅牢で信頼性の高いステアリングの恩恵を受け、農業作業の生産性を向上させます。



