迅速な配送
30日間エクスプレス配送



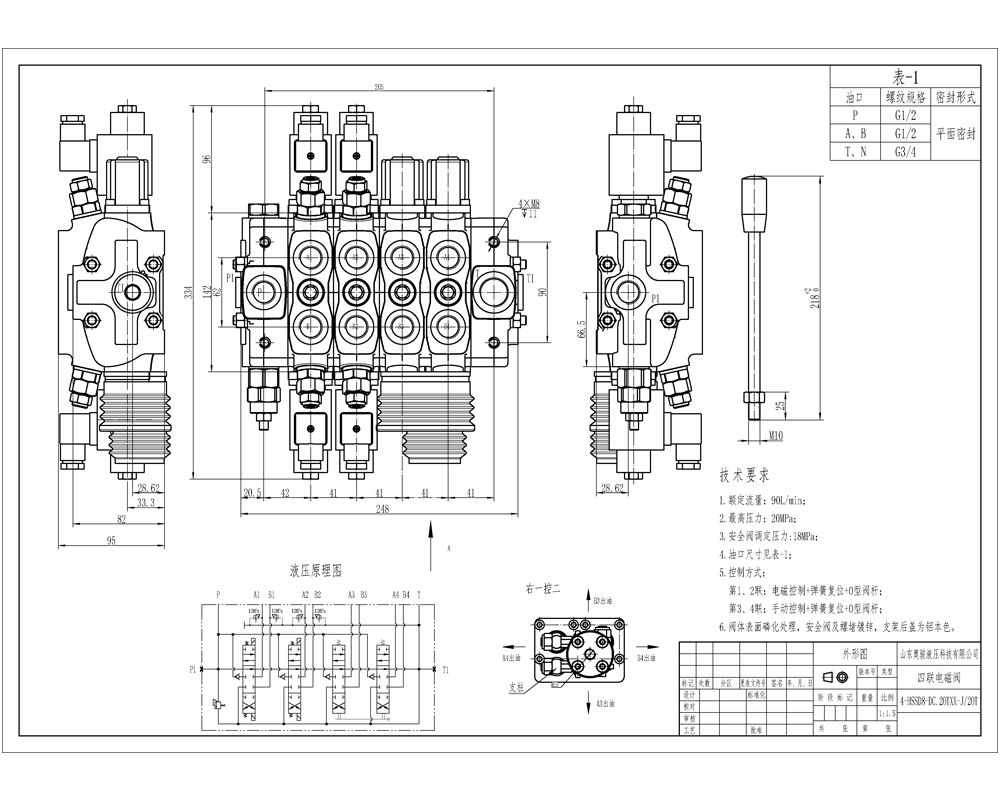
SD8 電磁弁およびジョイスティック 3セクション セクション型方向制御弁は、様々な産業における厳しい用途向けに設計された高性能油圧バルブです。定格流量90 L/min、最大圧力350 bar、作動粘度範囲12 - 400 mm²/sを備えたこのバルブは、優れた流量制御と圧力調整機能を提供します。
| SD8シリーズ セクショナル方向弁 Parameters | |
|---|---|
| スプール | 1スプール, 2スプール, 3スプール, 4スプール, 5スプール, 6スプール, 7スプール, 8スプール, 9スプール, 10スプール |
| 制御方法 | 手動, 空圧, 電空, 電気油圧, ソレノイド, 油圧, 油圧および手動, ケーブル, ジョイスティック, ソレノイド・ジョイスティック, 手動・ジョイスティック |
| ポートサイズ | G1/2, SAE 10 |
| セクション | 1セクション, 2セクション, 3セクション, 4セクション, 5セクション, 6セクション, 7セクション, 8セクション, 9セクション, 10セクション |
| 周囲温度範囲 | -40°C to +80°C (-40°F to +176°F) |
| 作動粘度範囲 | 12 - 400 mm²/s (12 cSt to 400 cSt) |
| 吐出口 | G1/2, G3/4, SAE 10, 3/4 NPT |
| 最大圧力 | 250 bar (3600 psi), 350 bar (5100 psi) |
| 定格流量 | 毎分90リットル (23.8 US gpm) |
| 構造タイプ | ブロック弁 |
| 吸入口 | G1/2, G3/4, SAE 10 |
**製品の特長と利点:**
* 精密で応答性の高い操作を実現する電磁弁およびジョイスティック制御
* 多彩な流量制御を可能にする3セクション設計
* メンテナンスとカスタマイズが容易なセクション型バルブ構造
* 要求の厳しい用途に対応する高流量・高圧容量
* 幅広い粘度範囲に対応
**用途:**
* マテリアルハンドリング機器
* 建設機械および土工機械
* 農業車両
* 産業車両
* 高所作業車
* クレーン
* 油圧ショベル
* スキッドステアローダー
* ホイールローダー



