迅速な配送
30日間エクスプレス配送



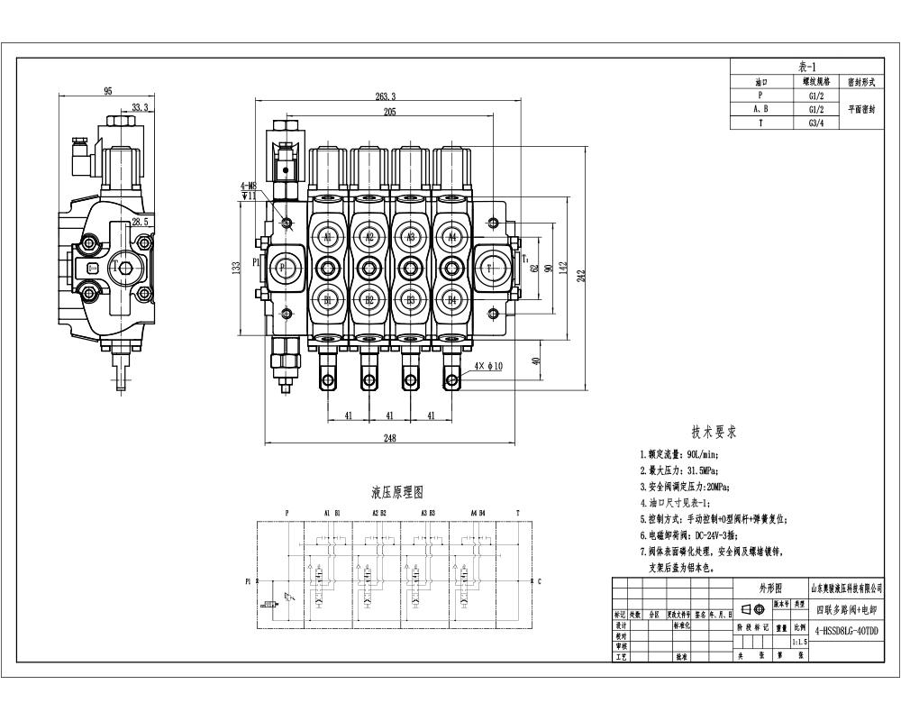
SD8-電動アンロードバルブ 手動4スプール セクショナル方向制御弁は、様々な産業や移動機械の要求の厳しいアプリケーション向けに設計された高性能油圧バルブです。手動制御、4セクションスプール設計、およびセクショナルバルブ構造により、油圧システムにおいて正確で信頼性の高い流量制御を提供します。
| SD8シリーズ セクショナル方向弁 Parameters | |
|---|---|
| スプール | 1スプール, 2スプール, 3スプール, 4スプール, 5スプール, 6スプール, 7スプール, 8スプール, 9スプール, 10スプール |
| 制御方法 | 手動, 空圧, 電空, 電気油圧, ソレノイド, 油圧, 油圧および手動, ケーブル, ジョイスティック, ソレノイド・ジョイスティック, 手動・ジョイスティック |
| ポートサイズ | G1/2, SAE 10 |
| セクション | 1セクション, 2セクション, 3セクション, 4セクション, 5セクション, 6セクション, 7セクション, 8セクション, 9セクション, 10セクション |
| 周囲温度範囲 | -40°C to +80°C (-40°F to +176°F) |
| 作動粘度範囲 | 12 - 400 mm²/s (12 cSt to 400 cSt) |
| 吐出口 | G1/2, G3/4, SAE 10, 3/4 NPT |
| 最大圧力 | 250 bar (3600 psi), 350 bar (5100 psi) |
| 定格流量 | 毎分90リットル (23.8 US gpm) |
| 構造タイプ | ブロック弁 |
| 吸入口 | G1/2, G3/4, SAE 10 |
**製品の特長と利点:**
* 正確で応答性の高い操作を可能にする手動制御
* 多彩な流量制御を実現する4セクションスプール設計
* 容易な統合とモジュール性を可能にするセクショナルバルブ構造
* 効率的な油圧性能のための定格流量90 L/min (23.8 US gpm)
* 要求の厳しいアプリケーションに対応する最大圧力350 bar (5100 psi)
* 様々な油圧作動油との互換性を持つ幅広い作動粘度範囲12 - 400 mm²/s (12 cSt to 400 cSt)
**用途:**
SD8-電動アンロードバルブ 手動4スプール セクショナル方向制御弁は、以下を含む幅広い用途に適しています。
* マテリアルハンドリング機器(フォークリフト、テレハンドラー、クレーン)
* 建設機械および土木機械(油圧ショベル、ローダー、グレーダー)
* 農業機械(トラクター、ハーベスター、ベーラー)
* 産業車両(清掃車、ごみ収集車、フックローダー)



