迅速な配送
30日間エクスプレス配送



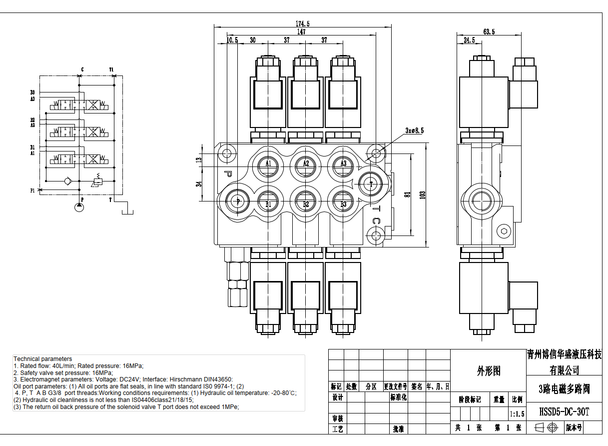
SD5ソレノイド3スプールモノブロック方向制御弁は、要求の厳しい用途向けに設計された高性能油圧バルブです。定格流量40 L/min、最大圧力305 barで、優れた流量制御と圧力処理能力を提供します。バルブのコンパクトなモノブロック設計は、過酷な動作条件下での耐久性と信頼性を保証します。
| SD5シリーズ モノブロック方向制御弁 Parameters | |
|---|---|
| 制御方法 | 手動, 空圧, 電空, 電気油圧, ソレノイド, 油圧, 油圧および手動, ケーブル, ジョイスティック |
| スプール | 1スプール, 2スプール, 3スプール, 4スプール, 5スプール, 6スプール |
| 定格流量 | 毎分40リットル (10.5 US gpm) |
| 最大圧力 | 305 bar (4400 psi) |
| 吸入口 | G3/8, G1/2, M18×1.5, M20×1.5, SAE 6, SAE 8, G1-1/2 |
| 吐出口 | G3/8, G1/2, M18×1.5, M20×1.5, SAE 6, SAE 8 |
| ポートサイズ | G3/8, G1/2, M18×1.5, M20×1.5, SAE 6, SAE 8 |
| セクション | 1セクション, 2セクション, 3セクション, 4セクション, 5セクション, 6セクション, 7セクション |
| 構造タイプ | モノブロック弁 |
| 周囲温度範囲 | -40°C to +60°C (-40°F to +140°F) |
| 作動粘度範囲 | 15 - 75 mm²/s (15 cSt to 75 cSt) |
**特徴と利点:**
* 耐久性と信頼性のためのコンパクトなモノブロック設計
* 多様な流量制御のための3スプール設計
* 正確で応答性の高い操作のためのソレノイド制御
* 効率的な流体処理のための定格流量40 L/min
* 要求の厳しい用途向けの最大圧力305 bar
* さまざまな流体との互換性のための作動粘度範囲15〜75 mm²/s
* 過酷な条件下での動作のための周囲温度範囲 -40°C〜+60°C
**用途:**
* モバイル油圧システム
* 産業機械
* 建設機械
* 農業機械
* マテリアルハンドリング機器



