迅速な配送
30日間エクスプレス配送



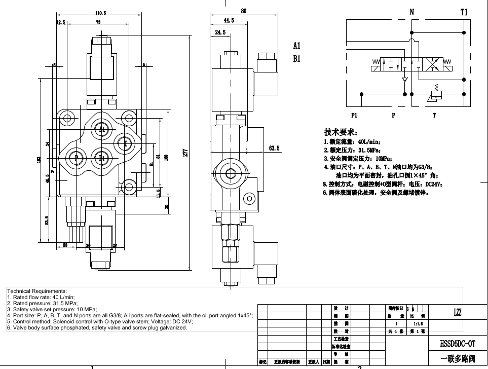
SD5ソレノイド1連モノブロック方向制御弁は、定格流量40 L/分(10.5 US gpm)、最大圧力305 bar(4400 psi)の1連式電磁操作弁です。マテリアルハンドリング、建設、農業、産業車両(テレハンドラー、フォークリフト、クレーン、スタッカー、高所作業車など)における幅広い用途に適しています。
| SD5シリーズ モノブロック方向制御弁 Parameters | |
|---|---|
| 制御方法 | 手動, 空圧, 電空, 電気油圧, ソレノイド, 油圧, 油圧および手動, ケーブル, ジョイスティック |
| スプール | 1スプール, 2スプール, 3スプール, 4スプール, 5スプール, 6スプール |
| 定格流量 | 毎分40リットル (10.5 US gpm) |
| 最大圧力 | 305 bar (4400 psi) |
| 吸入口 | G3/8, G1/2, M18×1.5, M20×1.5, SAE 6, SAE 8, G1-1/2 |
| 吐出口 | G3/8, G1/2, M18×1.5, M20×1.5, SAE 6, SAE 8 |
| ポートサイズ | G3/8, G1/2, M18×1.5, M20×1.5, SAE 6, SAE 8 |
| セクション | 1セクション, 2セクション, 3セクション, 4セクション, 5セクション, 6セクション, 7セクション |
| 構造タイプ | モノブロック弁 |
| 周囲温度範囲 | -40°C to +60°C (-40°F to +140°F) |
| 作動粘度範囲 | 15 - 75 mm²/s (15 cSt to 75 cSt) |
**製品の特長と利点:**
* コンパクトで軽量な設計
* 高流量容量
* 低圧力損失
* 優れたシーリング性能
* 長寿命
**用途:**
* マテリアルハンドリング機器
* 建設機械
* 農業機械
* 産業車両



