迅速な配送
30日間エクスプレス配送



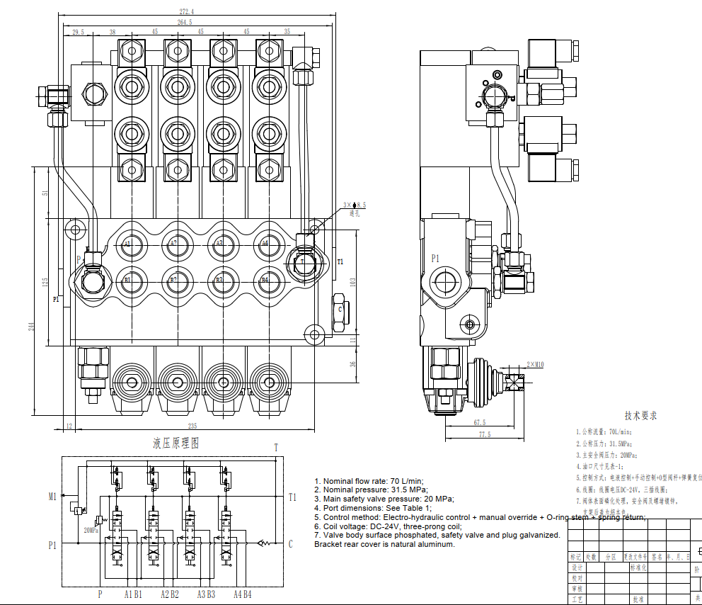
SD11-PG2は、70 L/分および315 bar定格の高性能電子油圧式4連モノブロック方向制御弁です。マテリアルハンドリング、建設、農業、産業車両における幅広い用途に最適で、この堅牢なバルブは、要求の厳しい環境で信頼性の高い制御と精密な操作を提供します。
| SD11シリーズ モノブロック方向制御弁 Parameters | |
|---|---|
| 制御方法 | 手動, 空圧, 電空, 電気油圧, ソレノイド, 油圧, 油圧および手動, ケーブル, ジョイスティック, 電磁 |
| スプール | 1スプール, 2スプール, 3スプール, 4スプール, 5スプール |
| 定格流量 | 毎分70リットル (18.5 US gpm) |
| 最大圧力 | 315 bar (4600 psi) |
| 吸入口 | G3/4, SAE 12 |
| 吐出口 | G3/4, SAE 12 |
| ポートサイズ | G3/4, SAE 12 |
| セクション | 1セクション, 2セクション, 3セクション, 4セクション, 5セクション, 6セクション, 7セクション |
| 構造タイプ | モノブロック弁 |
| 周囲温度範囲 | -40°C to +60°C (-40°F to +140°F) |
| 作動粘度範囲 | 15 - 75 mm²/s (15 cSt to 75 cSt) |
SD11-PG2電子油圧式4連モノブロック方向制御弁は、要求の厳しい用途向けに設計された高性能油圧制御コンポーネントです。そのモノブロック構造は高い強度と信頼性を保証し、電子油圧制御は正確で応答性の高い操作を提供します。定格流量70 L/分、最大圧力315 barで、さまざまな移動機器に適しています。広い作動粘度範囲 (15-75 mm²/s) と周囲温度範囲 (-40°C〜+60°C) により、多様な動作条件に適応可能です。4連スプール設計は多用途な制御機能を提供し、さまざまな油圧回路に適しています。このバルブは、フォークリフト、テレハンドラー、スキッドステアローダー、小型ホイールローダー、ミニショベル、トラクター、ハーベスター、ベーラーへのOEM統合に最適です。そのコンパクトな設計、堅牢な構造、信頼性の高い性能は、機械の効率と生産性を向上させるための費用対効果の高いソリューションとなります。当社は、製造、OEM、プライベートラベル、カスタマイズ、卸売オプションを提供しており、世界中の代理店、卸売業者、エージェント、貿易パートナーを積極的に募集しています。



