迅速な配送
30日間エクスプレス配送



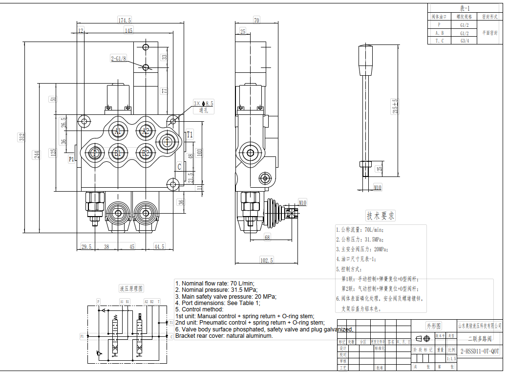
SD11手動1連モノブロック方向制御弁は、幅広い油圧アプリケーション向けに設計されています。定格流量70 L/min(18.5 US gpm)と最大圧力250 bar(3600 psi)を備え、この弁は過酷な動作条件にも対応できます。コンパクトなモノブロック設計は省スペースソリューションを提供し、手動制御は正確で応答性の高い操作を可能にします。
| SD11シリーズ モノブロック方向制御弁 Parameters | |
|---|---|
| 制御方法 | 手動, 空圧, 電空, 電気油圧, ソレノイド, 油圧, 油圧および手動, ケーブル, ジョイスティック, 電磁 |
| スプール | 1スプール, 2スプール, 3スプール, 4スプール, 5スプール |
| 定格流量 | 毎分70リットル (18.5 US gpm) |
| 最大圧力 | 315 bar (4600 psi) |
| 吸入口 | G3/4, SAE 12 |
| 吐出口 | G3/4, SAE 12 |
| ポートサイズ | G3/4, SAE 12 |
| セクション | 1セクション, 2セクション, 3セクション, 4セクション, 5セクション, 6セクション, 7セクション |
| 構造タイプ | モノブロック弁 |
| 周囲温度範囲 | -40°C to +60°C (-40°F to +140°F) |
| 作動粘度範囲 | 15 - 75 mm²/s (15 cSt to 75 cSt) |
**製品の特長と利点:**
* 正確で応答性の高い操作を可能にする手動制御
* 省スペースソリューションのためのモノブロック設計
* 効率的な性能のための定格流量70 L/min (18.5 US gpm)
* 過酷なアプリケーションのための最大圧力250 bar (3600 psi)
* 多様性に対応する作動粘度範囲15 - 75 mm²/s (15 cSt ~ 75 cSt)
* 極端な条件に対応する周囲温度範囲-40°C ~ +60°C (-40°F ~ +140°F)
**用途:**
* マテリアルハンドリング機器
* 建設機械および土工機械
* 農業機械
* 産業車両
* テレハンドラー
* フォークリフト
* オールテレーンクレーン
* スタッカー
* 高所作業車
* モーターグレーダー
* ショベルカー
* スキッドステアローダー
* コンパクトホイールローダー
* ホイールローダー
* バックホーローダー
* ダンプトラック
* 切羽穿孔機
* コンクリートポンプ車
* ロードローラー
* ロータリー掘削機
* 破砕機および石材切断機
* 選別機
* フロントローダー付きトラクター
* ハーベスター
* ベールラッパー
* バックホー
* 播種機
* 林業用トレーラー
* スプレーヤー
* ベーラー
* 薪割り機
* スキップローダー
* フックローダー
* ごみ圧縮機
* 清掃車



