イノベーションが開発を推進し、テクノロジーが未来を築きます

何を検索していますか?

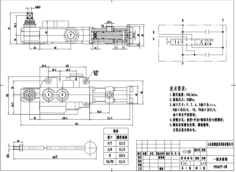
P80F-G34 油圧 1スプール モノブロック方向制御弁

定格流量:毎分80リットル (21.2 US gpm)

最大圧力:250 bar (3600 psi)

ベンダー:BXHS

製品タイプ:モノブロック方向制御弁

製品シリーズ:P80Fシリーズ モノブロック方向制御弁

製品サイズ:25.1*10.5*8

正味重量:4.80 kg

在庫状況: 在庫あり

  • 1スプール
  • 2スプール
  • 3スプール
  • 4スプール
  • 5スプール
  • 6スプール
  • 7スプール
  • 手動
  • 空圧
  • 電空
  • 電気油圧
  • ソレノイド
  • 油圧
  • 油圧および手動
  • ケーブル
  • ジョイスティック
769 この製品を探している人もいます

P80F-G34 油圧 1スプール モノブロック方向制御弁

P80F-G34 油圧 1スプール モノブロック方向制御弁

P80F-G34 油圧 1スプール モノブロック方向制御弁 drawing image

P80F-G34 油圧1スプールモノブロック方向制御バルブは、様々な産業およびモバイルアプリケーションにおける油圧作動油の流れを制御するように設計されています。コンパクトなモノブロック設計、1セクション、定格流量80 L/min(21.2 US gpm)、最大圧力250 bar(3600 psi)を特長としています。このバルブは、15~75 mm²/s(15 cSt~75 cSt)の動作粘度範囲と、-40°C~+80°C(-40°F~+176°F)の周囲温度に適しています。

P80Fシリーズ モノブロック方向制御弁 Parameters
スプール 1スプール, 2スプール, 3スプール, 4スプール, 5スプール, 6スプール, 7スプール
制御方法 手動, 空圧, 電空, 電気油圧, ソレノイド, 油圧, 油圧および手動, ケーブル, ジョイスティック
ポートサイズ G1/2, G3/4, M27×2.0, SAE 10, SAE 12, 1/2 NPT, 3/4 NPT
セクション 1セクション, 2セクション, 3セクション, 4セクション, 5セクション, 6セクション, 7セクション
周囲温度範囲 -40°C to +80°C (-40°F to +176°F)
作動粘度範囲 15 - 75 mm²/s (15 cSt to 75 cSt)
吐出口 G1/2, G3/4, M27×2.0, SAE 10, SAE 12, 1/2 NPT
最大圧力 315 bar (4600 psi)
定格流量 毎分80リットル (21.2 US gpm)
構造タイプ モノブロック弁
吸入口 G1/2, G3/4, M27×2.0, SAE 10, SAE 12, 1/2 NPT, 3/4 NPT

**製品の特長と利点:**



* 省スペース設置のためのコンパクトなモノブロック設計

* シンプルで信頼性の高い流量制御のための1スプール

* 効率的な流体処理のための定格流量80 L/min(21.2 US gpm)

* 要求の厳しいアプリケーション向けの最大圧力250 bar(3600 psi)

* 15~75 mm²/s(15 cSt~75 cSt)の動作粘度範囲に適しています

* 多様な環境での使用に適した幅広い周囲温度範囲 -40°C~+80°C(-40°F~+176°F)



**アプリケーション:**



P80F-G34 油圧1スプールモノブロック方向制御バルブは、以下を含む様々な産業およびモバイルアプリケーションで広く使用されています。



* マテリアルハンドリング機器(フォークリフト、テレハンドラー、クレーン)

* 建設・土木機械(油圧ショベル、ホイールローダー、スキッドステアローダー)

* 農業機械(トラクター、ハーベスター、ベーラー)

* 産業車両(清掃車、ごみ圧縮車、フックローダー)

* その他多数...

P80F-G34 油圧 1スプール モノブロック方向制御弁

P80F-G34 油圧 1スプール モノブロック方向制御弁

P80F-G34 油圧 1スプール モノブロック方向制御弁

P80F-G34 油圧 1スプール モノブロック方向制御弁