イノベーションが開発を推進し、テクノロジーが未来を築きます

何を検索していますか?

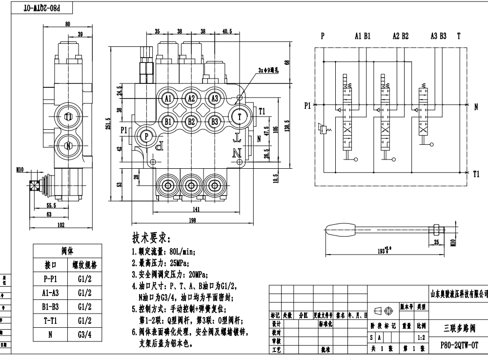
P80-G12-2QTW-OT 手動 3スプール モノブロック方向制御弁

定格流量:毎分80リットル (21.2 US gpm)

最大圧力:250 bar (3600 psi)

ベンダー:BXHS

製品タイプ:モノブロック方向制御弁

製品シリーズ:P80シリーズ モノブロック方向制御弁

製品サイズ:25.1*20.8*8

正味重量:10.10 kg

在庫状況: 在庫あり

  • 1スプール
  • 2スプール
  • 3スプール
  • 4スプール
  • 5スプール
  • 6スプール
  • 7スプール
  • 手動
  • 空圧
  • 電空
  • 電気油圧
  • ソレノイド
  • 油圧
  • 油圧および手動
  • ケーブル
  • ジョイスティック
732 この製品を探している人もいます

P80-G12-2QTW-OT 手動 3スプール モノブロック方向制御弁

P80-G12-2QTW-OT 手動 3スプール モノブロック方向制御弁

P80-G12-2QTW-OT 手動 3スプール モノブロック方向制御弁 drawing image

P80-G12-2QTW-OTは、油圧システム用に設計された手動3連モノブロック方向制御弁です。定格流量80 L/min、最大圧力250 bar、作動粘度範囲15 - 75 mm²/sを提供します。このバルブは、マテリアルハンドリング、建設、土木機械、農業などの様々な産業用途で一般的に使用されています。

P80シリーズ モノブロック方向制御弁 Parameters
スプール 1スプール, 2スプール, 3スプール, 4スプール, 5スプール, 6スプール, 7スプール
制御方法 手動, 空圧, 電空, 電気油圧, ソレノイド, 油圧, 油圧および手動, ケーブル, ジョイスティック
ポートサイズ G1/2, G3/4, M22×1.5, M27×2.0, SAE 10, 1/2 NPT, 3/4 NPT
セクション 1セクション, 2セクション, 3セクション, 4セクション, 5セクション, 6セクション, 7セクション
周囲温度範囲 -40°C to +80°C (-40°F to +176°F)
作動粘度範囲 15 - 75 mm²/s (15 cSt to 75 cSt)
最大圧力 315 bar (4600 psi)
定格流量 毎分80リットル (21.2 US gpm)
構造タイプ モノブロック弁
吸入口 G1/2, G3/4, M27×2.0, SAE 10, SAE 12, 1/2 NPT, 3/4 NPT

**製品の特長と利点:**



* 正確な操作のための手動制御

* 耐久性とコンパクトなサイズを実現するモノブロック構造

* 効率的なシステム性能のための80 L/minの高い流量容量

* 要求の厳しい用途に対応する最大圧力250 bar

* さまざまな作動油との互換性のための広い作動粘度範囲

* -40°Cから+80°Cまでの周囲温度に適応



**用途:**



P80-G12-2QTW-OT手動方向制御弁は、以下を含む移動機械および産業機械の油圧システムで広く使用されています。



* フォークリフト、テレハンドラー、クレーンなどのマテリアルハンドリング機器

* 油圧ショベル、ローダー、グレーダーなどの建設・土木機械

* トラクター、収穫機、ベーラーなどの農業機械

* 清掃車、廃棄物圧縮機、フックローダーなどの産業車両

P80-G12-2QTW-OT 手動 3スプール モノブロック方向制御弁

P80-G12-2QTW-OT 手動 3スプール モノブロック方向制御弁

P80-G12-2QTW-OT 手動 3スプール モノブロック方向制御弁

P80-G12-2QTW-OT 手動 3スプール モノブロック方向制御弁