迅速な配送
30日間エクスプレス配送



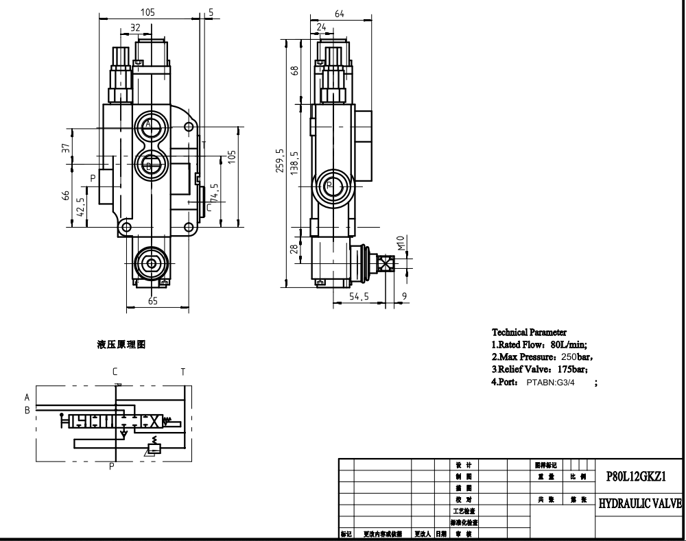
P80-G34-1OT手動1連モノブロック方向制御バルブは、マテリアルハンドリング、建設、農業、産業車両業界における様々な用途向けに設計された高性能油圧バルブです。手動制御機構、シングルスプール設計、および堅牢なモノブロック構造を特徴としています。
| P80シリーズ モノブロック方向制御弁 Parameters | |
|---|---|
| スプール | 1スプール, 2スプール, 3スプール, 4スプール, 5スプール, 6スプール, 7スプール |
| 制御方法 | 手動, 空圧, 電空, 電気油圧, ソレノイド, 油圧, 油圧および手動, ケーブル, ジョイスティック |
| ポートサイズ | G1/2, G3/4, M22×1.5, M27×2.0, SAE 10, 1/2 NPT, 3/4 NPT |
| セクション | 1セクション, 2セクション, 3セクション, 4セクション, 5セクション, 6セクション, 7セクション |
| 周囲温度範囲 | -40°C to +80°C (-40°F to +176°F) |
| 作動粘度範囲 | 15 - 75 mm²/s (15 cSt to 75 cSt) |
| 最大圧力 | 315 bar (4600 psi) |
| 定格流量 | 毎分80リットル (21.2 US gpm) |
| 構造タイプ | モノブロック弁 |
| 吸入口 | G1/2, G3/4, M27×2.0, SAE 10, SAE 12, 1/2 NPT, 3/4 NPT |
**製品の特長と利点:**
* 正確で信頼性の高い操作を実現する手動制御
* 構造的完全性と耐久性を保証するモノブロック設計
* 効率的なシステム性能のための定格流量 80 L/min (21.2 US gpm)
* 過酷な用途に対応する最大圧力 250 bar (3600 psi)
* 様々な油圧作動油との互換性のための作動粘度範囲 15 - 75 mm²/s (15 cSt~75 cSt)
* 多様な環境での運転に対応する広い周囲温度範囲 -40°C~+80°C (-40°F~+176°F)
**用途:**
P80-G34-1OT手動1連モノブロック方向制御バルブは、以下を含む幅広い油圧システムでの使用に最適です:
* マテリアルハンドリング機器 (フォークリフト、テレハンドラー、スタッカー)
* 建設機械 (掘削機、ローダー、クレーン)
* 農業用車両 (トラクター、収穫機、ベーラー)
* 産業車両 (清掃車、廃棄物圧縮機、フックローダー)



