迅速な配送
30日間エクスプレス配送



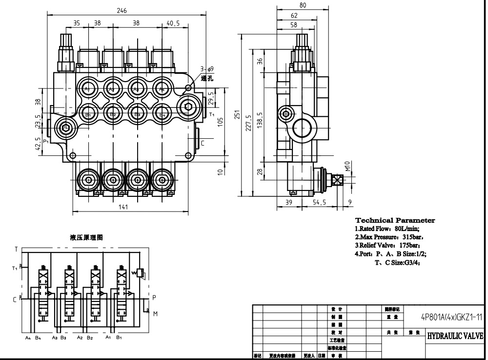
P80-G12-G34-OT手動4連モノブロック方向制御弁は、幅広い油圧用途向けに設計された、非常に汎用性が高く耐久性のあるコンポーネントです。定格流量80 L/min (21.2 US gpm)および最大圧力250 bar (3600 psi)を備え、要求の厳しい油圧システムに対応できます。そのコンパクトなモノブロック設計により、設置とメンテナンスが容易です。
| P80シリーズ モノブロック方向制御弁 Parameters | |
|---|---|
| スプール | 1スプール, 2スプール, 3スプール, 4スプール, 5スプール, 6スプール, 7スプール |
| 制御方法 | 手動, 空圧, 電空, 電気油圧, ソレノイド, 油圧, 油圧および手動, ケーブル, ジョイスティック |
| ポートサイズ | G1/2, G3/4, M22×1.5, M27×2.0, SAE 10, 1/2 NPT, 3/4 NPT |
| セクション | 1セクション, 2セクション, 3セクション, 4セクション, 5セクション, 6セクション, 7セクション |
| 周囲温度範囲 | -40°C to +80°C (-40°F to +176°F) |
| 作動粘度範囲 | 15 - 75 mm²/s (15 cSt to 75 cSt) |
| 最大圧力 | 315 bar (4600 psi) |
| 定格流量 | 毎分80リットル (21.2 US gpm) |
| 構造タイプ | モノブロック弁 |
| 吸入口 | G1/2, G3/4, M27×2.0, SAE 10, SAE 12, 1/2 NPT, 3/4 NPT |
**製品の特長と利点:**
* **コンパクトなモノブロック設計:** 設置とメンテナンスが容易
* **高い流量容量(80 L/min):** 要求の厳しい油圧システムに適しています
* **高い圧力定格(250 bar):** 高いシステム圧力に耐えることができます
* **手動制御:** 正確で応答性の高い操作
* **広い作動粘度範囲(15 - 75 mm²/s):** さまざまな作動油に対応可能
* **耐久性のある構造:** 長い耐用年数を保証
**用途:**
P80-G12-G34-OT手動4連モノブロック方向制御弁は、以下を含む様々な油圧用途で広く使用されています。
* マテリアルハンドリング機器(例:フォークリフト、テレハンドラー)
* 建設・土木機械(例:ショベルカー、ローダー)
* 農業機械(例:トラクター、ハーベスター)
* 産業車両(例:清掃車、ごみ収集車)



