迅速な配送
30日間エクスプレス配送



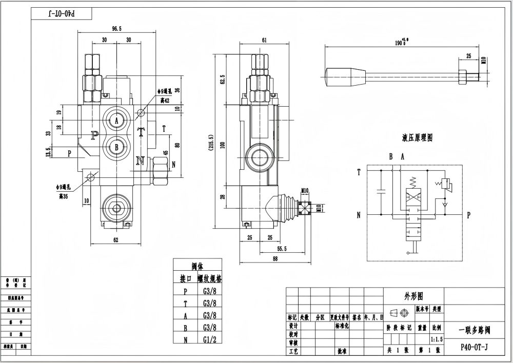
P40J 手動1スプールモノブロック方向制御弁は、様々な油圧システムにおける精密な流量制御のために設計された高性能油圧弁です。定格流量40 L/min、最大圧力250 barを誇り、信頼性と効率的な動作を提供します。そのコンパクトなモノブロック設計は、耐久性と簡単な取り付けを保証します。
| P40シリーズ モノブロック方向制御弁 Parameters | |
|---|---|
| 制御方法 | 手動, 空圧, 電空, 電気油圧, ソレノイド, 油圧, 油圧および手動, ケーブル, ジョイスティック, 手動・ジョイスティック |
| スプール | 1スプール, 2スプール, 3スプール, 4スプール, 5スプール, 6スプール, 7スプール |
| 定格流量 | 毎分40リットル (10.5 US gpm) |
| 最大圧力 | 250 bar (3600 psi) |
| 吸入口 | G3/8, G1/2, M18×1.5, M22×1.5, SAE 8, SAE 10, 3/8 NPT, 1/2 NPT |
| 吐出口 | G3/8, G1/2, M18×1.5, M22×1.5, SAE 8, SAE 10, 3/8 NPT, 1/2 NPT |
| ポートサイズ | G3/8, G1/2, M18×1.5, SAE 8, SAE 10, 3/8 NPT, 1/2 NPT |
| セクション | 1セクション, 2セクション, 3セクション, 4セクション, 5セクション, 6セクション, 7セクション |
| 構造タイプ | モノブロック弁 |
| 周囲温度範囲 | -40°C to +80°C (-40°F to +176°F) |
| 作動粘度範囲 | 15 - 75 mm²/s (15 cSt to 75 cSt) |
**製品の特徴と利点:**
- 精密な流量調整のための手動制御
- 耐久性とコンパクトなサイズのモノブロック構造
- 効率的なシステム性能のための40 L/min 定格流量
- 要求の厳しいアプリケーションのための250 bar 最大圧力
- 様々な作動油との互換性のための広い作動粘度範囲 (15 - 75 mm²/s)
- 多様な条件下での信頼性の高い性能のための-40°Cから+80°Cの作動温度範囲
**アプリケーション:**
- 建設機械の油圧システム
- 農業機械
- 産業車両
- マテリアルハンドリング機器
- テレハンドラー
- フォークリフト
- 全地形クレーン
- スタッカー
- 高所作業車
- モーターグレーダー
- 油圧ショベル
- スキッドステアローダー
- コンパクトホイールローダー



