迅速な配送
30日間エクスプレス配送



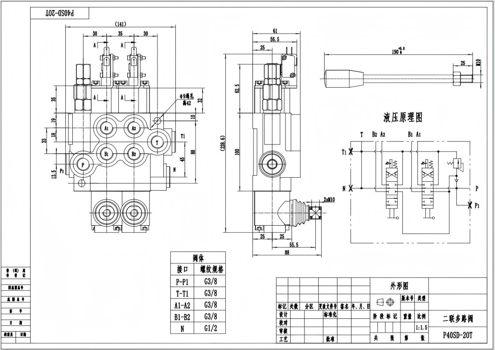
P40 マイクロスイッチ 手動2スプールモノブロック方向制御弁は、マテリアルハンドリング、建設・土木機械、農業、産業車両など、様々な用途向けに設計されたコンパクトで高性能なバルブです。手動制御、2セクション設計、40 L/minの流量により、このバルブは油圧システムにおいて信頼性が高く効率的な流量制御を実現します。
| P40シリーズ モノブロック方向制御弁 Parameters | |
|---|---|
| 制御方法 | 手動, 空圧, 電空, 電気油圧, ソレノイド, 油圧, 油圧および手動, ケーブル, ジョイスティック, 手動・ジョイスティック |
| スプール | 1スプール, 2スプール, 3スプール, 4スプール, 5スプール, 6スプール, 7スプール |
| 定格流量 | 毎分40リットル (10.5 US gpm) |
| 最大圧力 | 250 bar (3600 psi) |
| 吸入口 | G3/8, G1/2, M18×1.5, M22×1.5, SAE 8, SAE 10, 3/8 NPT, 1/2 NPT |
| 吐出口 | G3/8, G1/2, M18×1.5, M22×1.5, SAE 8, SAE 10, 3/8 NPT, 1/2 NPT |
| ポートサイズ | G3/8, G1/2, M18×1.5, SAE 8, SAE 10, 3/8 NPT, 1/2 NPT |
| セクション | 1セクション, 2セクション, 3セクション, 4セクション, 5セクション, 6セクション, 7セクション |
| 構造タイプ | モノブロック弁 |
| 周囲温度範囲 | -40°C to +80°C (-40°F to +176°F) |
| 作動粘度範囲 | 15 - 75 mm²/s (15 cSt to 75 cSt) |
**製品の特長と利点:**
* 正確で応答性の高い操作を実現する手動制御
* 多彩な流量制御を可能にする2セクション設計
* スペースが限られた用途でも簡単に設置できるコンパクトサイズ
* 効率的なシステム運用を実現する40 L/minの高い流量
* 要求の厳しい用途に対応する250 barの最大圧力
* 様々な作動油との互換性を持つ幅広い作動粘度範囲
* 欧州の安全基準に準拠したCE認証済み
**用途:**
P40 マイクロスイッチ 手動2スプールモノブロック方向制御弁は、以下を含む幅広い用途に適しています。
* マテリアルハンドリング機器
* 建設機械および土木機械
* 農業車両
* 産業車両
* 林業機器



