迅速な配送
30日間エクスプレス配送



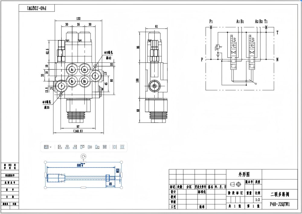
P40 手動およびジョイスティック2スプールモノブロック方向制御弁は、要求の厳しい用途向けに設計された高性能油圧弁です。定格流量40 L/min、最大圧力250 barで、流体の流れと方向を精密に制御します。コンパクトなモノブロック設計により耐久性と信頼性が確保され、手動およびジョイスティック制御オプションにより多機能性と操作の容易さを提供します。
| P40シリーズ モノブロック方向制御弁 Parameters | |
|---|---|
| 制御方法 | 手動, 空圧, 電空, 電気油圧, ソレノイド, 油圧, 油圧および手動, ケーブル, ジョイスティック, 手動・ジョイスティック |
| スプール | 1スプール, 2スプール, 3スプール, 4スプール, 5スプール, 6スプール, 7スプール |
| 定格流量 | 毎分40リットル (10.5 US gpm) |
| 最大圧力 | 250 bar (3600 psi) |
| 吸入口 | G3/8, G1/2, M18×1.5, M22×1.5, SAE 8, SAE 10, 3/8 NPT, 1/2 NPT |
| 吐出口 | G3/8, G1/2, M18×1.5, M22×1.5, SAE 8, SAE 10, 3/8 NPT, 1/2 NPT |
| ポートサイズ | G3/8, G1/2, M18×1.5, SAE 8, SAE 10, 3/8 NPT, 1/2 NPT |
| セクション | 1セクション, 2セクション, 3セクション, 4セクション, 5セクション, 6セクション, 7セクション |
| 構造タイプ | モノブロック弁 |
| 周囲温度範囲 | -40°C to +80°C (-40°F to +176°F) |
| 作動粘度範囲 | 15 - 75 mm²/s (15 cSt to 75 cSt) |
**製品の特徴と利点:**
- 効率的な流量制御のための定格流量40 L/min (10.5 US gpm)
- 高圧システムでの信頼性の高い動作のための最大圧力250 bar (3600 psi)
- 手動およびジョイスティック制御オプションにより、柔軟性と操作の容易さを提供
- 耐久性向上と漏れ低減のためのモノブロック設計
- 様々な流体との互換性のための動作粘度範囲15 - 75 mm²/s (15 cSt ~ 75 cSt)
- 極端な温度条件下での使用のための周囲温度範囲-40°C ~ +80°C (-40°F ~ +176°F)
**用途:**
- マテリアルハンドリング機器
- 建設機械および土木機械
- 農業機械
- 産業車両



