迅速な配送
30日間エクスプレス配送



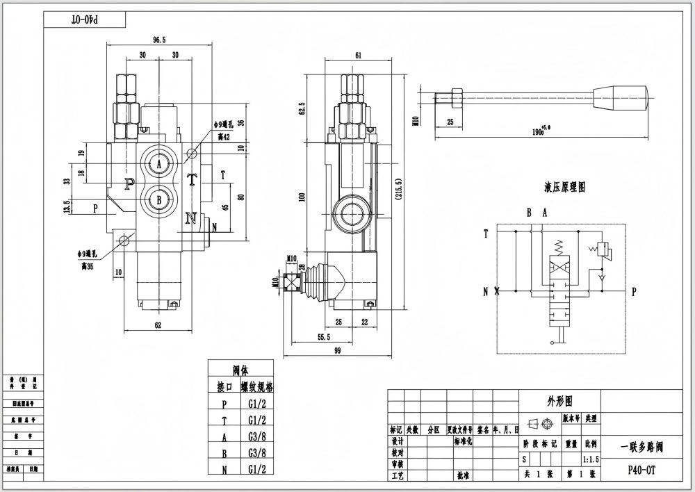
P40-G12-OT 手動1連モノブロック方向制御弁は、様々な産業の厳しい用途向けに設計された高性能油圧弁です。定格流量40 L/min、最大圧力250 barで、信頼性と効率的な流量制御を提供します。そのコンパクトなモノブロック設計は耐久性と設置の容易さを保証し、スペースが限られている用途に理想的な選択肢となります。
| P40シリーズ モノブロック方向制御弁 Parameters | |
|---|---|
| 制御方法 | 手動, 空圧, 電空, 電気油圧, ソレノイド, 油圧, 油圧および手動, ケーブル, ジョイスティック, 手動・ジョイスティック |
| スプール | 1スプール, 2スプール, 3スプール, 4スプール, 5スプール, 6スプール, 7スプール |
| 定格流量 | 毎分40リットル (10.5 US gpm) |
| 最大圧力 | 250 bar (3600 psi) |
| 吸入口 | G3/8, G1/2, M18×1.5, M22×1.5, SAE 8, SAE 10, 3/8 NPT, 1/2 NPT |
| 吐出口 | G3/8, G1/2, M18×1.5, M22×1.5, SAE 8, SAE 10, 3/8 NPT, 1/2 NPT |
| ポートサイズ | G3/8, G1/2, M18×1.5, SAE 8, SAE 10, 3/8 NPT, 1/2 NPT |
| セクション | 1セクション, 2セクション, 3セクション, 4セクション, 5セクション, 6セクション, 7セクション |
| 構造タイプ | モノブロック弁 |
| 周囲温度範囲 | -40°C to +80°C (-40°F to +176°F) |
| 作動粘度範囲 | 15 - 75 mm²/s (15 cSt to 75 cSt) |
**製品の特長とメリット:**
* 精密な流量調整のための手動制御
* シンプルで効率的な操作のための1連設計
* 耐久性とコンパクトなサイズのためのモノブロック構造
* 様々な作動油に対応する作動粘度範囲15 - 75 mm²/s
* 過酷な条件下での使用に対応する周囲温度範囲-40℃~+80℃
**用途:**
P40-G12-OT 手動1連モノブロック方向制御弁は、以下を含む様々な用途で広く使用されています。
* マテリアルハンドリング機器
* 建設機械および土木機械
* 農業車両
* 産業車両
**特定の用途:**
* テレハンドラー
* フォークリフト
* オールテレーンクレーン
* スタッカー
* 高所作業台
* モーターグレーダー
* 中型掘削機 (Midi-excavators)
* 小型掘削機 (Mini-excavators)
* スキッドステアローダー



