迅速な配送
30日間エクスプレス配送



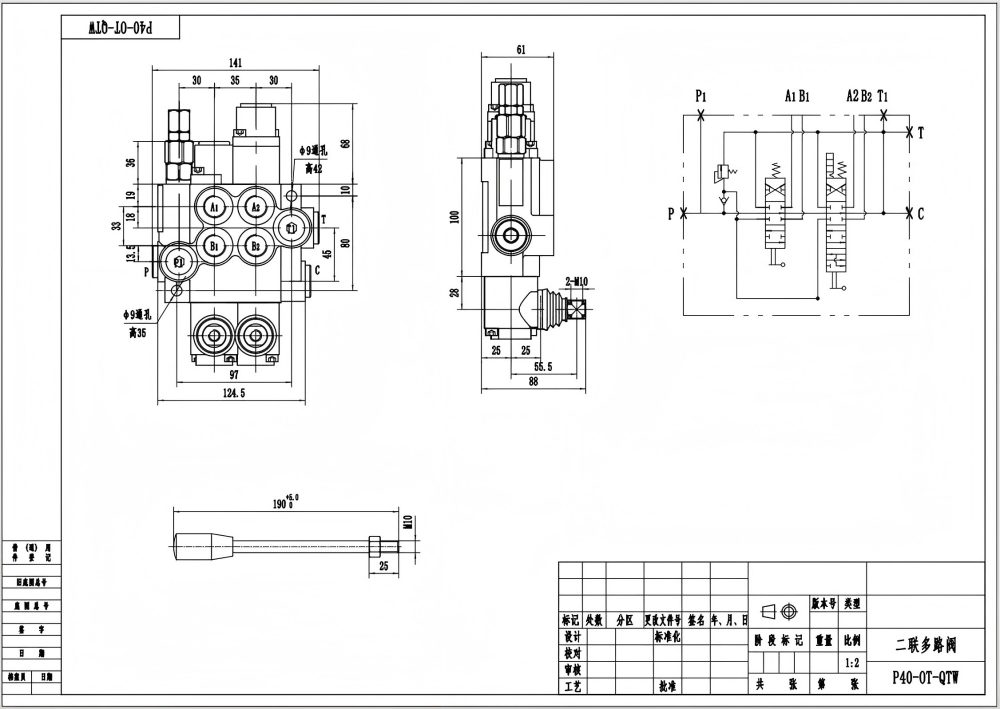
P40-G12-G38-OT-QTW手動2スプールモノブロック方向制御弁は、幅広い産業用途向けに設計された高性能油圧弁です。定格流量40 L/min、最大圧力250 barで、この弁は要求の厳しい油圧システムに対応できます。コンパクトなモノブロック設計と手動制御方式により、既存のシステムへの統合が容易です。
| P40シリーズ モノブロック方向制御弁 Parameters | |
|---|---|
| 制御方法 | 手動, 空圧, 電空, 電気油圧, ソレノイド, 油圧, 油圧および手動, ケーブル, ジョイスティック, 手動・ジョイスティック |
| スプール | 1スプール, 2スプール, 3スプール, 4スプール, 5スプール, 6スプール, 7スプール |
| 定格流量 | 毎分40リットル (10.5 US gpm) |
| 最大圧力 | 250 bar (3600 psi) |
| 吸入口 | G3/8, G1/2, M18×1.5, M22×1.5, SAE 8, SAE 10, 3/8 NPT, 1/2 NPT |
| 吐出口 | G3/8, G1/2, M18×1.5, M22×1.5, SAE 8, SAE 10, 3/8 NPT, 1/2 NPT |
| ポートサイズ | G3/8, G1/2, M18×1.5, SAE 8, SAE 10, 3/8 NPT, 1/2 NPT |
| セクション | 1セクション, 2セクション, 3セクション, 4セクション, 5セクション, 6セクション, 7セクション |
| 構造タイプ | モノブロック弁 |
| 周囲温度範囲 | -40°C to +80°C (-40°F to +176°F) |
| 作動粘度範囲 | 15 - 75 mm²/s (15 cSt to 75 cSt) |
**製品の特長と利点:**
* 正確な操作のための手動制御
* 多用途性に対応する2スプール設計
* コンパクトで漏れのない性能を実現するモノブロック構造
* 高効率のための定格流量40 L/min
* 耐久性のための最大圧力250 bar
* さまざまな作動油に対応する15 - 75 mm²/sの作動粘度範囲
* 過酷な環境での使用に対応する-40°C~+80°Cの周囲温度範囲
**用途:**
* マテリアルハンドリング機器
* 建設機械および土木機械
* 農業機械
* 産業車両
* テレハンドラー
* フォークリフト
* オールテレーンクレーン
* スタッカー
* 高所作業台
* モーターグレーダー



