迅速な配送
30日間エクスプレス配送



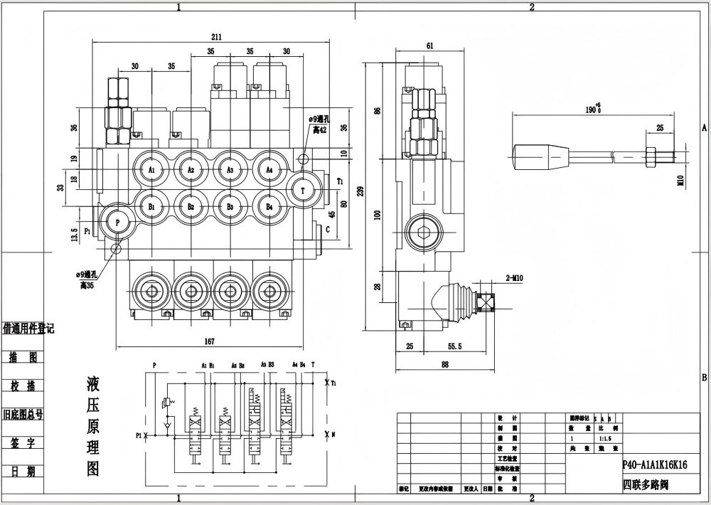
P40-G12-G38手動4連モノブロック方向制御弁は、マテリアルハンドリング、建設、農業、産業車両などの産業における様々な用途向けに設計された高性能油圧弁です。堅牢な構造、信頼性の高い手動制御、コンパクトなモノブロック設計により、この弁は油圧システムにおいて正確な流量制御と方向切り替えを提供します。
| P40シリーズ モノブロック方向制御弁 Parameters | |
|---|---|
| 制御方法 | 手動, 空圧, 電空, 電気油圧, ソレノイド, 油圧, 油圧および手動, ケーブル, ジョイスティック, 手動・ジョイスティック |
| スプール | 1スプール, 2スプール, 3スプール, 4スプール, 5スプール, 6スプール, 7スプール |
| 定格流量 | 毎分40リットル (10.5 US gpm) |
| 最大圧力 | 250 bar (3600 psi) |
| 吸入口 | G3/8, G1/2, M18×1.5, M22×1.5, SAE 8, SAE 10, 3/8 NPT, 1/2 NPT |
| 吐出口 | G3/8, G1/2, M18×1.5, M22×1.5, SAE 8, SAE 10, 3/8 NPT, 1/2 NPT |
| ポートサイズ | G3/8, G1/2, M18×1.5, SAE 8, SAE 10, 3/8 NPT, 1/2 NPT |
| セクション | 1セクション, 2セクション, 3セクション, 4セクション, 5セクション, 6セクション, 7セクション |
| 構造タイプ | モノブロック弁 |
| 周囲温度範囲 | -40°C to +80°C (-40°F to +176°F) |
| 作動粘度範囲 | 15 - 75 mm²/s (15 cSt to 75 cSt) |
**製品の特長と利点:**
* 正確で応答性の高い操作のための手動制御
* 汎用性の高い流量制御のための4連スプール設計
* コンパクトで漏れのない性能を実現するモノブロック構造
* 流量容量:40 L/min (10.5 US gpm)
* 最大圧力定格:250 bar (3600 psi)
* 広範な動作粘度範囲:15 - 75 mm²/s (15 cSt to 75 cSt)
* 要求の厳しい用途に対応する耐久性のある構造
**用途:**
P40-G12-G38手動4連モノブロック方向制御弁は、以下の幅広い用途に適しています:
* フォークリフト、テレハンドラー、クレーンなどのマテリアルハンドリング機器
* 油圧ショベル、スキッドステアローダー、モーターグレーダーなどの建設機械
* トラクター、ハーベスター、ベーラーなどの農業車両
* スイーパー、廃棄物圧縮機、フックローダーなどの産業車両



