イノベーションが開発を推進し、テクノロジーが未来を築きます

何を検索していますか?

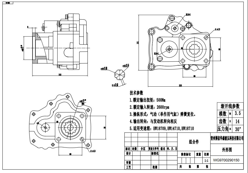
HW50-03 WG9700290150 500 Nm 1.35 パワーテイクオフ

ベンダー:BXHS

製品タイプ:パワーテイクオフ

製品シリーズ:PTOシリーズ パワーテイクオフ

製品サイズ:26*24*20

正味重量:18.00 kg

在庫状況: 在庫あり

39 この製品を探している人もいます

HW50-03 WG9700290150 500 Nm 1.35 パワーテイクオフ

HW50-03 WG9700290150 500 Nm 1.35 パワーテイクオフ

HW50-03 WG9700290150 500 Nm 1.35 パワーテイクオフ drawing image

このHW50-03 WG9700290150は、要求の厳しい用途向けに設計された堅牢な4ボルトパワーテイクオフユニットで、定格出力トルク350 Nmと速度比1.14を提供します。信頼性の高い性能のために、空圧式(単動シリンダー)スプリングリセット操作と圧送潤滑を備えており、幅広い産業、建設、農業機械に最適です。

PTOシリーズ パワーテイクオフ Parameters
取付方式 8ボルト, 4ボルト
制御空気圧 8-12 bar
出力方向 エンジン操舵方向と逆
操作形式 空圧(単動シリンダー)スプリングリセット
速度比 1.14
定格出力トルク 350 Nm
潤滑オプション 圧力潤滑
取り付けオプション 標準取り付け

製品の特長と利点:

* 高トルク出力: 350 Nmの定格で、このPTOは、相当な電力を必要とする要求の厳しい油圧ポンプやその他の補助装置の駆動に適しています。

* 空圧制御: スプリングリセット付き単動シリンダーを使用し、8~12 barの空気圧で効率的に作動し、正確で迅速かつ信頼性の高い接続と切断を実現します。

* 耐久性のある取り付け: 標準の4ボルト取り付けオプションを備え、車両のギアボックスへの安全で安定した取り付けを保証し、堅牢な性能のために設計されています。

* 効率的な潤滑: 内部部品の最適な継続的潤滑を確保する圧送潤滑システムを搭載しており、ユニットの寿命を大幅に延ばし、メンテナンス要件を削減します。

* 最適化された速度比: 慎重に選択された1.14の速度比は、エンジンから駆動される補助装置への効率的かつ効果的な動力伝達を保証します。

* 多用途なステアリング: 出力ステアリング方向はエンジンステアリング方向と反対であり、多様な油圧セットアップとのシステム設計と統合に柔軟性を提供します。

* 堅牢な構造: 高品質の素材で構築され、困難で要求の厳しい作業環境における高耐久性、連続運転のために設計されています。



アプリケーションシナリオ:

このHW50-03パワーテイクオフは、車両のトランスミッションからの信頼性の高い制御可能な動力抽出を必要とする幅広い移動式および定置式油圧システムに完全に適しており、多様な分野をカバーしています。

* 建設・土木: クレーン、掘削機、ホイールローダー、バックホーローダー、モーターグレーダー、コンクリートポンプ車などの重機における油圧ポンプの駆動に不可欠です。

* 産業車両: ダンプカー、フックリフト、ごみ収集車、清掃車などの様々な産業車両における重要な補助機能を実現します。

* 農業: トラクター、収穫機、ベーラー、スプレーヤー、その他の農業機械における油圧システムの駆動に広く使用されています。

* マテリアルハンドリング: テレハンドラーやフォークリフト、特に重量物の持ち上げや操作のための特殊な油圧アタッチメントを備えたものに堅牢な動力源を提供します。

* 特殊機器: 林業用トレーラー、掘削リグ、その他特殊な機能のために堅牢で効率的かつ制御可能な動力源を必要とする高耐久移動機器に適用可能です。

HW50-03 WG9700290150 500 Nm 1.35 パワーテイクオフ

HW50-03 WG9700290150 500 Nm 1.35 パワーテイクオフ

HW50-03 WG9700290150 500 Nm 1.35 パワーテイクオフ

HW50-03 WG9700290150 500 Nm 1.35 パワーテイクオフ