迅速な配送
30日間エクスプレス配送



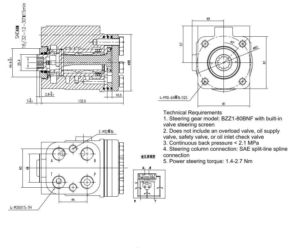
BZZ1-E80AS油圧ステアリングユニットは、マテリアルハンドリング、建設、産業車両の幅広い用途向けに設計された、堅牢でカスタマイズ可能なコンポーネントです。80 ml/rの排気量と最大16 MPaの入力圧力により、信頼性と効率的なステアリング制御を提供します。鋳鉄製の構造が耐久性を保証し、カスタマイズ可能なバルブブロックにより、特定の要件を満たすオーダーメイドのソリューションが可能です。
| BZZ1シリーズ ステアリングユニット Parameters | |
|---|---|
| 変位 | 50 ml/r, 63 ml/r, 100 ml/r, 80 ml/r, 125 ml/r, 160 ml/r, 200 ml/r, 250 ml/r, 280 ml/r, 315 ml/r, 400 ml/r, 500 ml/r, 630 ml/r, 800 ml/r, 1000 ml/r |
| バルブブロック | カスタマイズ可能 |
| 材質 | 鋳鉄 |
| 定格流量 | 5 L/min, 6 L/min, 4 L/min, 7.5 L/min, 9.5 L/min, 12 L/min, 15 L/min, 19 L/min, 21 L/min, 24 L/min, 30 L/min, 38 L/min, 48 L/min, 60 L/min, 75 L/min |
| 最大連続背圧 | 2.5 Mpa |
| 最大入力圧力 | 16 Mpa |
BZZ1-E80ASステアリングユニットは、耐久性のある鋳鉄から製造された高性能油圧コンポーネントで、長期間の使用に対応します。80 ml/rの排気量と最大16 MPaの入力圧力により、厳しい条件下でも強力で応答性の高いステアリング制御を提供します。このユニットは、最大連続背圧2.5 MPaと定格流量6 L/minを誇り、一貫した性能を保証します。主な利点は、カスタマイズ可能なバルブブロックであり、様々な用途の正確なニーズに合わせて構成を調整できます。この柔軟性により、OEMおよびODMプロジェクトだけでなく、多様な産業向けのカスタマイズされたソリューションを提供するのに最適です。このユニットは、フォークリフト、テレスコピックハンドラー、スキッドステアローダー、小型ホイールローダー、ミニおよびミディショベル、バックホーローダーなど、様々な種類の機械に適用されます。その堅牢な設計と信頼性の高い性能は、高品質の油圧ステアリングコンポーネントを求めるメーカーにとって費用対効果の高いソリューションとなります。当社は製造、OEM、ODM、カスタマイズ、卸売サービスを提供しており、世界中の代理店、卸売業者、エージェント、トレーダーを積極的に募集しています。



