迅速な配送
30日間エクスプレス配送



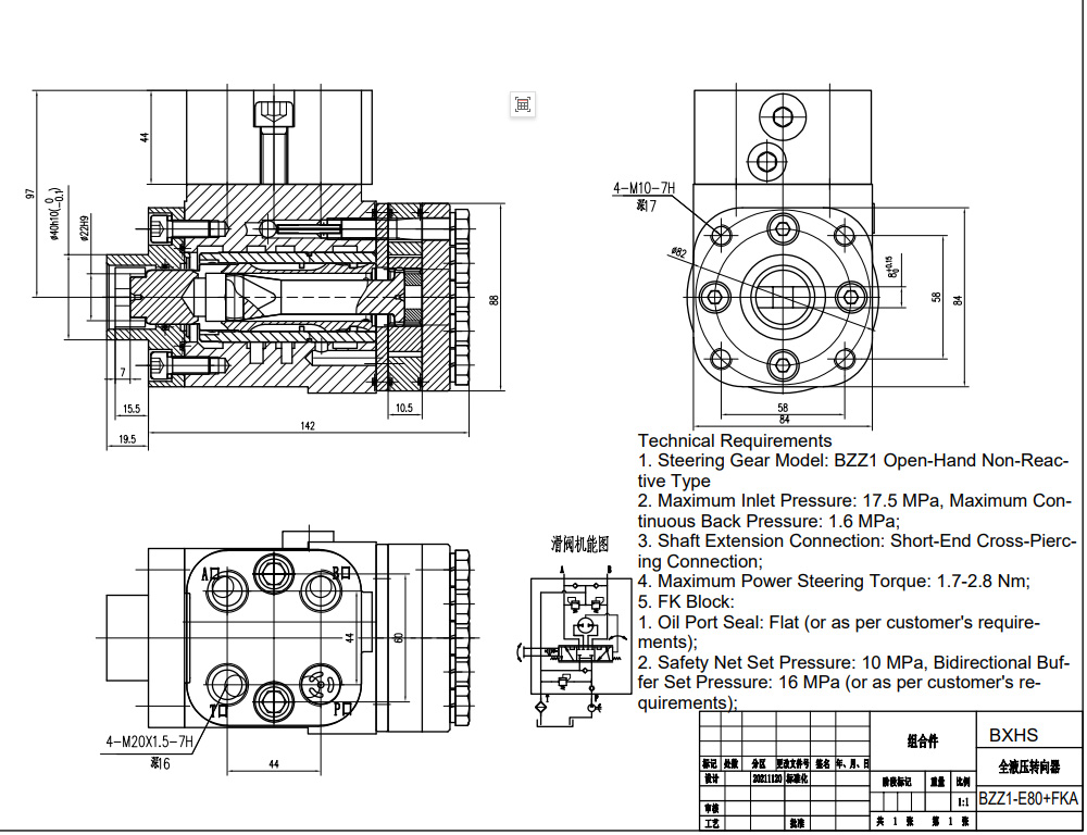
BZZ1-E80+FKA油圧ステアリングユニットは、堅牢でカスタマイズ可能な80ml/rの排気量ユニットで、最大入力圧力は16 MPaです。物流、建設、農業、産業車両など様々な用途に最適で、定格流量6 L/minで信頼性の高いステアリング制御を提供します。鋳鉄製で、カスタマイズ可能なバルブブロックにより、個別の性能調整が可能です。当社は製造、OEM、ODM、および卸売オプションを提供しています。
| BZZ1シリーズ ステアリングユニット Parameters | |
|---|---|
| 変位 | 50 ml/r, 63 ml/r, 100 ml/r, 80 ml/r, 125 ml/r, 160 ml/r, 200 ml/r, 250 ml/r, 280 ml/r, 315 ml/r, 400 ml/r, 500 ml/r, 630 ml/r, 800 ml/r, 1000 ml/r |
| バルブブロック | カスタマイズ可能 |
| 材質 | 鋳鉄 |
| 定格流量 | 5 L/min, 6 L/min, 4 L/min, 7.5 L/min, 9.5 L/min, 12 L/min, 15 L/min, 19 L/min, 21 L/min, 24 L/min, 30 L/min, 38 L/min, 48 L/min, 60 L/min, 75 L/min |
| 最大連続背圧 | 2.5 Mpa |
| 最大入力圧力 | 16 Mpa |
BZZ1-E80+FKA油圧ステアリングユニットは、幅広い機械に対して正確で強力なステアリング制御を提供します。その高圧能力(16 MPa)は、重負荷時でも信頼性の高い動作を保証します。80 ml/rの排気量と6 L/minの定格流量は、効率的なステアリング応答を提供します。堅牢な鋳鉄製構造は、過酷な環境下での耐久性と長寿命を保証します。カスタマイズ可能なバルブブロックは、特定のアプリケーション要件に合わせたソリューションを可能にし、性能と効率を最適化します。当社は、製造、OEM(相手先ブランドによる製造)、ODM(オリジナルデザインによる製造)、および卸売オプションを含む柔軟なビジネスモデルを提供しており、お客様の特定のニーズを満たすためのカスタマイズされたソリューションや大量注文に対応可能です。当社は現在、世界中で販売代理店、卸売業者、代理店、商社を積極的に募集しています。お客様の要件についてご相談いただき、潜在的なパートナーシップを模索するためにお問い合わせください。



