迅速な配送
30日間エクスプレス配送



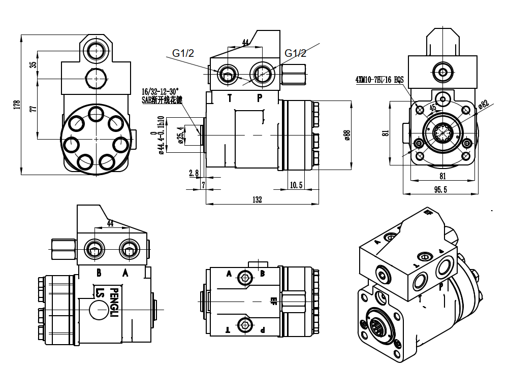
101S-5T-100-PV80油圧ステアリングユニットは、様々な用途で信頼性と耐久性のある性能を提供します。100 ml/rの排気量と最大入力圧力17.5 MPaを備えたこの鋳鉄製ユニットはカスタマイズ可能で、マテリアルハンドリング、建設、産業車両、農業分野におけるOEM、ODM、および販売業者に最適です。
| 10シリーズ ステアリングユニット Parameters | |
|---|---|
| 変位 | 50 ml/r, 63 ml/r, 100 ml/r, 80 ml/r, 125 ml/r, 160 ml/r, 200 ml/r, 250 ml/r, 280 ml/r, 315 ml/r, 400 ml/r |
| 材質 | 鋳鉄 |
| 定格流量 | 5 L/min, 6 L/min, 8 L/min, 10 L/min, 12.5 L/min, 16 L/min, 20 L/min, 25 L/min, 28 L/min, 31.5 L/min, 40 L/min |
| バルブブロック | カスタマイズ可能 |
| 最大連続背圧 | 2.5 Mpa |
| 最大入力圧力 | 17.5 Mpa |
101S-5T-100-PV80は、要求の厳しい用途向けに設計された高性能油圧ステアリングユニットです。堅牢な鋳鉄構造は、重荷重や過酷な動作条件下でも長期的な耐久性と信頼性を保証します。このユニットは、100 ml/rの排気量、最大入力圧力17.5 MPa、最大連続背圧2.5 MPaを誇り、幅広い機械に十分なパワーを提供します。定格流量10 L/minにより、スムーズで応答性の高いステアリングを実現します。101S-5T-100-PV80の主な利点の1つは、カスタマイズ可能なバルブブロックであり、特定のアプリケーション要件に合わせて調整されたソリューションを可能にします。この柔軟性により、様々な種類の機器への統合に適しています。その適用範囲は、マテリアルハンドリング(フォークリフト、テレハンドラー)、建設および土木(ミニおよびミディショベル、バックホーローダー、コンパクトホイールローダー、スキッドステアローダー)、農業(トラクターおよびフロントエンドローダー)、産業車両など、様々な分野に及びます。当社は、製造、OEM、ODM、プライベートラベリング、カスタマイズ、および卸売オプションを提供しています。当社は、この優れた油圧ステアリングユニットを世界市場に展開し、そのリーチを拡大するために、世界中の販売業者、卸売業者、代理店、および取引パートナーを積極的に募集しています。



