迅速な配送
30日間エクスプレス配送



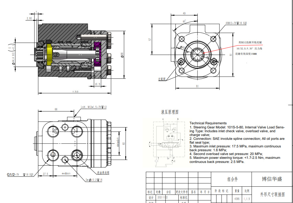
101S-5-80 ステアリングユニットは、堅牢でカスタマイズ可能な油圧ステアリングユニットで、排気量は80 cc/revです。マテリアルハンドリング、建設、農業、産業車両など、さまざまな用途向けに設計されています。最大入力圧力は17.5 MPaで、耐久性のある鋳鉄製です。高性能で信頼性の高いステアリングソリューションを求めるOEMや代理店に最適です。
| 10シリーズ ステアリングユニット Parameters | |
|---|---|
| 変位 | 50 ml/r, 63 ml/r, 100 ml/r, 80 ml/r, 125 ml/r, 160 ml/r, 200 ml/r, 250 ml/r, 280 ml/r, 315 ml/r, 400 ml/r |
| 材質 | 鋳鉄 |
| 定格流量 | 5 L/min, 6 L/min, 8 L/min, 10 L/min, 12.5 L/min, 16 L/min, 20 L/min, 25 L/min, 28 L/min, 31.5 L/min, 40 L/min |
| バルブブロック | カスタマイズ可能 |
| 最大連続背圧 | 2.5 Mpa |
| 最大入力圧力 | 17.5 Mpa |
101S-5-80 ステアリングユニットは、要求の厳しい用途向けに設計された高性能油圧ステアリングユニットです。その80 cc/revの排気量は、効率的なステアリング制御に十分な流量を提供します。このユニットは、長期的な性能と摩耗に対する耐性のために耐久性のある鋳鉄製です。最大入力圧力17.5 MPaは、重負荷下でも信頼性の高い動作を保証します。カスタマイズ可能なバルブブロックにより、様々な機械設計に柔軟に統合でき、多様なアプリケーション向けの多用途なソリューションとなります。定格流量8 L/minは、幅広い機械で最適な性能を発揮します。当社は、製造、OEM、ODM、プライベートラベリング、および卸売のオプションを提供しています。101S-5-80は、フォークリフト、テレハンドラー、スキッドステアローダー、小型ホイールローダー、ミニショベル、トラクター、バックホー、ハーベスター、ベーラーなど、様々な用途に適しています。当社は、グローバルな展開を拡大するために、販売代理店、卸売業者、代理店、トレーダーを積極的に募集しています。お客様の特定の要件についてご相談いただくか、潜在的なパートナーシップについてお問い合わせください。



