迅速な配送
30日間エクスプレス配送



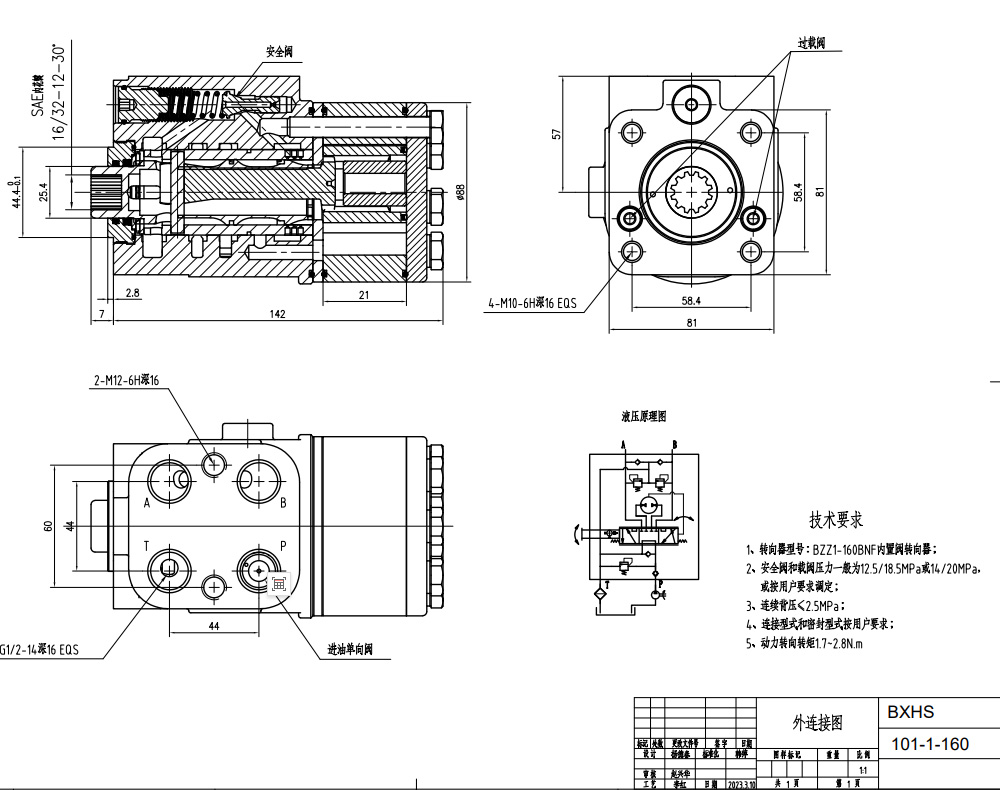
101-1-160ステアリングユニットは、堅牢で信頼性の高い油圧ステアリングコンポーネントであり、160 ml/回転の排気量を持ち、建設、農業、マテリアルハンドリング、産業車両など様々な用途向けに設計されています。最大入力圧力は17.5 MPaで、最適な性能を発揮するためのカスタマイズ可能なバルブブロックを備えています。当社は製造、OEM、ODM、卸売サービスを提供しています。
| 10シリーズ ステアリングユニット Parameters | |
|---|---|
| 変位 | 50 ml/r, 63 ml/r, 100 ml/r, 80 ml/r, 125 ml/r, 160 ml/r, 200 ml/r, 250 ml/r, 280 ml/r, 315 ml/r, 400 ml/r |
| 材質 | 鋳鉄 |
| 定格流量 | 5 L/min, 6 L/min, 8 L/min, 10 L/min, 12.5 L/min, 16 L/min, 20 L/min, 25 L/min, 28 L/min, 31.5 L/min, 40 L/min |
| バルブブロック | カスタマイズ可能 |
| 最大連続背圧 | 2.5 Mpa |
| 最大入力圧力 | 17.5 Mpa |
101-1-160ステアリングユニットは、長寿命のために耐久性のある鋳鉄で構築された高性能油圧ステアリングユニットです。その160 ml/回転の排気量は効率的なステアリング制御を提供し、最大入力圧力17.5 MPaは厳しい条件下での信頼性の高い動作を保証します。最大連続背圧2.5 MPaは、その堅牢性をさらに高めます。定格流量16 L/分は、応答性の高いステアリングを実現します。主要な特徴は、特定のアプリケーション要件を満たすためのカスタマイズされた構成を可能にするバルブブロックです。これにより、フォークリフト、ミニショベル、スキッドステアローダー、小型ホイールローダー、トラクターおよびフロントエンドローダー、テレハンドラー、バックホーローダー、ダンプカー、ハーベスター、ベーラーなど、幅広い機械に適しています。当社は完全な製造能力、ならびにOEM、ODM、卸売サービスを提供しており、市場範囲を拡大するために世界中のディストリビューター、卸売業者、代理店、取引パートナーを積極的に募集しています。お客様の具体的なニーズについて話し合い、カスタマイズオプションを検討するために、今すぐお問い合わせください。



